-
- System 1: L1 = NOT B1.
- System 2: L2 = B2.
- System 3: L3 = B31 AND B32.
- System 4 : L4 = B41 OR B42.
- Løsning ikke utarbeidet.
- Regneoppgaver:
- The function block diagram is shown in Figure 1.

Figure 1
- y1=1*inv(0)+1*0=1 og y2=inv(1)*1+1=1.
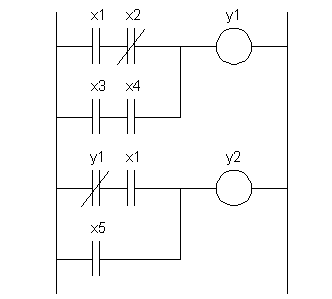
- The ladder diagram is shown in Figure 2.

Figure 2
-
| Truth Table of v1=x*y |
| x |
y |
v |
| 0 |
0 |
1 |
| 0 |
1 |
1 |
| 1 |
0 |
1 |
| 1 |
1 |
0 |
| Truth Table of v2=x+y |
| x |
y |
v |
| 0 |
0 |
1 |
| 0 |
1 |
1 |
| 1 |
0 |
1 |
| 1 |
1 |
0 |
Since the outputs v1 and v2 are identical for every possible
compination of x and y, x*y
and
x+y are identical.
Oppdatert 20.9.05 av Finn Haugen, faglærer.
E-postadresse:
finn@techteach.no).
|